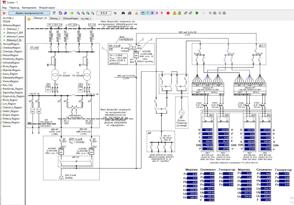
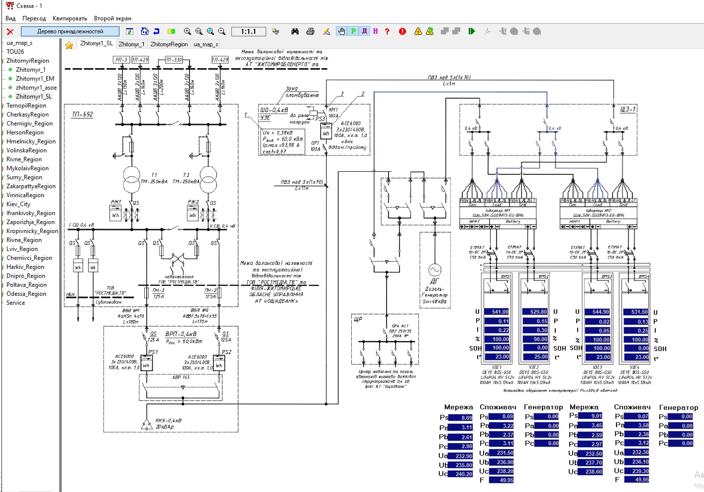
SCADA накопичення енергії «DK D2».
Установка збереження енергії УЗЕ зі SCADA «DK D2», далі комплекс, являє собою інтегрований комплекс спеціалізованого системного, прикладного, бібліотечного, інструментального та сервісного програмного забезпечення (ПЗ), а також програмних засобів системи керування базами даних (СКБД). Працює на платформі ОС Windows.
Комплекс призначений для диспетчерського керування об’єктами накопичення енергії в нормальному та аварійному режимі, організаційного та технологічного обслуговування, для зв’язку з вищими рівнями ієрархії в системі накопичення енергії, а також для обробки, документування та архівування параметрів режиму та даних технологічного процесу. Комплекс дозволяє здійснювати дистанційне керування інверторами (типу Deye) та всією обслуговуваною електричною мережею.
Комплекс може бути встановлений як на новозбудованих об’єктах, так і на існуючих об’єктах шляхом заміни та реконструкції існуючих засобів контролю та управління.
Комплекс виконує такі функції:
— отримання телеметричної та іншої оперативної інформації від інверторів накопичувачів енергії згідно зі стандартними протоколами передачі даних IEC 870-5-101, IEC 870-5-104, Modbus (RTU, ASCII, TCP/IP), ICCP (OPC-сервер), що дозволяє отримувати дані від програмних комплексів різних виробників;
— відображення телеметричної та іншої оперативної інформації на мнемоніках, у табличній та графічній формі;
— перетворення вимірювань та сигналів стану на ручне керування та назад;
— відображення телеметричних сигналів;
— встановлення та видалення плакатів на мнемоніках;
— друк мнемонік та графіків;
— збереження отриманої інформації в Базі даних (ведення архіву з призначенням позначки часу з точністю до 1 мс), з можливістю аналізу та перегляду збережених даних;
— можливість побудови розподіленого багатомашинного комплексу з повним гарячим резервуванням;
— ведення журналу дій користувачів та операцій системи;
— керування системою відображення панелі керування, яка дозволяє виводити телеметричну інформацію, вводити інформацію вручну та отримувати команди на індикатори телесигналізації;
— видача команд для дистанційного керування станом комутації високовольтних інверторів;
— Оперативний моніторинг параметрів стану керованих УЗЕ;
Зроблено в Україні
